返回首页
你现在的位置: > 首页 > 企业动态 > 正文

破界与重构!国电投的能源未来式

发布日期:2020/5/26

 

       该文刊发于《三联生活周刊》2020年第20期,全文共8031字,阅读需要20分钟。5月23日、24日,本号分别刊发了同一系列的另两篇文章《中国电力百年:探索、狂飙与转型》《你好,绿色革命!》。

 

 

 

 

       可控核聚变、深度利用太阳能、海底化石能源的利用仍在探索初期,距离我们的生活仍遥远。而能源革命却在不断迅速推进,在不同的场景中、不同的应用中,悄无声息地朝向未来生长着、进化着。

 

       能源革命的到来,新能源对旧能源的替代,除了延缓全球变暖、减少污染物的排放,我们还能从中获得什么?未来是否存在一种终极能源使人类发展彻底摆脱能源的束缚?

 

 

六环外的革命:换电重卡

 

       北京有4到5万辆重型卡车,住在五环以内的人们很少注意到它们的存在。但北京全市2000多万人口,一年所需的蔬菜、肉、蛋、奶和水产品,绝大部分都是这些重卡从外地运送进京。此外,北京要修地铁、铺路、建桥、盖楼,一年需要超过1.5亿方砂石料和混凝土。为了减少对市区的影响,人们把混凝土搅拌站建在六环一带,这样一来,1万辆砂石料车、1万辆混凝土车和1.5万辆渣土车承担了全市所有工程建设的运输任务。

 

       有专家测算过,这些鲜少被关注的“大块头”对北京市空气污染物(氮氧化物与颗粒物)排放的“贡献率”超过一半——因为重卡排量大,所用的柴油品质低,且几乎全天候运行,一辆重卡的排放量相当于300辆家用轿车。不只北京,这是所有人口密集、快速发展的大城市的通病。

 

       环境压力倒逼下,重卡电动化应运而生。人们寄希望于将燃油箱换成电池,以减少重卡的尾气排放。融和租赁公司曾在北京密云的矿山里投放了15台充电版重卡,困难接踵而至:一辆砂石料车一天跑500多公里,在现有电池技术下,充电重卡满载续航里程却只有150公里——这意味着司机一天要充四五次电,一次至少耗费一个小时。中国的重卡司机多为个体经营,光时间成本,他们就耗不起。

 


△融和电科在北京落地首个智能换电重卡市场化示范项目,为北京密云矿山砂石骨料公路运输提供一体化绿色物流解决方案。

 

       充电版行不通,融和租赁公司转变思路,2019年,他们做出了全球首款换电式纯电动重型牵引车(以下简称“换电重卡”)。换电重卡就是由过去给电池充电干脆变成更换电池。这家公司很快将换电重卡又拉到了密云的矿山里,还建设了换电站,司机把车开进站点,三分钟便可更换好电池,甚至比加油还快。

 

       牵头换电重卡项目的融和租赁公司,是国家电投集团旗下的一家金融公司,聚焦能源行业,管理着800多亿元的资产规模,其中清洁能源占比逾70%。他们虽然没有造车经验,但正是在他们的撮合下,全球首款换电重卡成功下线。

 

       尽管充电时长的问题解决了,但换电重卡(含电池组)整车成本约为燃油车的两到三倍,令不少企业和个体司机望而却步。融和租赁公司总经理蔡宁说,高出的成本主要在于电池组。于是,融和租赁公司将车载电池组拆分出来,通过租赁的方式提供给用户,从而大大降低了用户的初始投资成本。目前已在运营中的200多辆换电重卡基本都是采用电池租赁的形式。蔡宁对此还有另一层考量,他告诉我,从重卡上淘汰下来的电池组其实还有更多用途,比如可以装到挖掘机、装载机上继续使用,也可以拿去做梯次利用,为风力、光伏发电作储能电池。

 

       对于换电重卡的商业前景,蔡宁信心满满。如果计划顺利,今年将有200辆换电重卡穿梭在密云的矿山之间,按照每辆车每天400公里行驶里程计算,每年可减少约2.8万吨二氧化碳排放与2500吨污染物排放,经济性方面,用电较之燃油可节省超过4000万元。换电重卡的引进给矿区乃至北京城市建设都提供了一种新的方案。蔡宁还希望通过换电重卡重塑中国物流行业——如果重卡的运营成本大大降低,广受诟病的卡车超载超速问题或许就能在另一个层面得到解决。

 

       一直以来,交通运输是国民经济中的高耗能、高排放行业。数据显示,2014年中国交通能源消费总量(不包括远洋和国际通运)是4.93亿吨标煤,约占全国能耗总量的11.6%。其中二氧化碳排放量约10.7亿吨,占全国排放总量的11.5%。从2010到2014年,我国交通能源消费总量由3.55亿吨标煤上升到4.93亿吨,平均每年增长8.5%。2016年12月印发实施的《能源发展“十三五”规划》明确提出要着力推进相关领域石油消费减量替代,重点提高汽车燃油经济性标准,大力推广新能源汽车,大力推进港口、机场等交通运输“以电代油”“以气代油”。

 

       交通动力的电动化无疑将推动整个国家能源消费结构的低碳化和清洁化。蔡宁说:“全国有约1000万辆重卡,如果全部换成电动的,可以新增售电量约为目前全国售电量的60%,去年全国售电量为66万亿度,换言之,可新增39.6万亿度售电。”不过,仅仅将燃油换成电动还不够,能源的生产与使用如何更加清洁、高效,对能源行业仍是一个艰巨的挑战。

 

 

老电力的“新手艺”

 

       蔡宁眼盯着密云矿山上的卡车,毛小磊则一头扎进了北京北五环外的一个高科技产业园。毛小磊曾在河南一家火电厂工作15年,他如今的身份是中电智慧综合能源有限公司(以下简称“中电智慧”)副总工程师,这家由国家电投集团旗下中国电力在北京创立的公司,开发的第一个项目就是位于海淀的北科产业园综合智慧能源项目。

 

       从火电到综合智慧能源,从发电侧到用电侧,从生产端走向消费端,毛小磊的转型其实也是中国能源行业转型路径的一个缩影。2016年2月24日,国家发改委、能源局、工信部联合发文,推动集中式与分布式储能协同发展,“鼓励建设以智能终端和能源灵活交易为主要特征的智能家居、智能楼宇、智能小区和智能工厂,支撑智慧城市建设”。从那以后,智慧能源开始从概念阶段落地发芽。

 

       北科产业园是北京市最早一批高科技产业园,建于2004年,占地70亩,建筑面积6.3万平方米,进驻的企业涵盖生物制药、计算机、芯片研发等,园区一年用电量1500万度,其中北京市计算中心一家就占据了半壁江山。园区企业的快速发展导致用电量不断增长,2004年设计建设的供电网络已捉襟见肘,处于超负荷运行状态,扩容迫在眉睫。园区管理方测算过,如果从电网铺设新的线路进来,约耗资2000万元。新生的中电智慧被推荐给了北科产业园,双方一拍即合。2018年,毛小磊团队开始对园区的能源网络进行改造。

 

       改造一个老园区并非易事,他们要摸清所有的管道线路,测算园区的用能状况,为了不干扰企业的正常工作,有时只能在夜间或节假日施工。改造悄无声息地进行着,除了门口的光伏车棚和屋顶的光伏板及风机外,园区的上班族通常注意不到改变的发生。但作为一个老电力人,毛小磊看到的东西截然不同。他说,以前供电局把电送到街道和园区的配电室就放手不管了,“最后一公里”的能源管理相对粗放,而园区物业人员缺乏能源管理的知识和工具。当毛小磊这类“老电力”进入综合智慧能源领域,在火电厂练就的本领重新找到用武之地。

 


△北科产业园实现风、光、储联唱。

 

       不过,园区用能的改造可不单单是电,冷、热、电必须三联供以提高能源的利用效率,同时,天然气、光伏、风能都被整合进同一个网络,实现了多能互补,综合利用。他们在已有的天然气管道基础上,新建内燃发电机组,填补了园区用电缺口,内燃机产生的余热则进入溴化锂机组,辅助园区的供冷供热;新增的磷酸铁锂、钠盐电储能系统发挥削峰填谷作用,解决园区高峰时段供电容量不足的问题。中电智慧还与清华大学、华为、国家电投集团综合智慧能源科技公司(国核电力院)等多方合作,研发了一套专门的多能流能量管理系统(IEMS),供电、供暖、供冷各个子系统的数据都被收集起来,系统自动监控分析,实时控制能源网络的运行参数。运行一年,据测算,北科产业园不仅解决了用能紧张问题,还节约用能成本30%。在管理方面,“以前无论冬夏,地下室的机房里都要有人值班,现在一个人坐在主控室就可以掌控整个园区的用能情况”。

 

       在节能减排的大背景下,各个地方都在努力控制能源消费总量和消费强度,毛小磊认为,小到一栋楼宇,大到一个科技园区、商业综合体,乃至一个城市新区,能源的专业管理服务都将有很大的应用空间。

 

       在上海,王国弟做着和毛小磊同样的事。在前滩能源中心,我们见到了一身工装的王国弟,他是国家电投集团上海电力绿色能源公司的总经理。前滩在黄浦江以东,占地面积2.83平方公里,规划建筑面积约350万平方米。2012年,上海市提出再造一个陆家嘴,前滩区域开发正式启动,它未来将被打造成一个集总部商务、文化传媒、体育休闲等功能为一体的城市副中心。

 

       《2016世界城市状况报告》指出,目前排名前600位的主要城市中居住着五分之一的世界人口,对全球国内生产总值的贡献高达60%。根据联合国人口基金会预测,到2030年,大约66%(或50亿)的人口将在城市生活,全球人口超过1000万的超级都市将会从2016年的28座增加至2030年的41座。这无疑将给城市交通、食物供给、给排水和垃圾处理等一系列基础设施带来巨大的压力,其中至为关键的能源供给问题更将面临考验。

 

       王国弟谈起前滩项目开发的缘起。前滩想要复制上海陆家嘴金融区,经过近二三十年的开发,陆家嘴如今已成为上海最繁华的区域,摩天大楼耸立,商业广场人流不息。但当年参与开发陆家嘴的一位领导总结陆家嘴经验时谈到,陆家嘴开发仍留有一大遗憾,就是没有建设集中的能源中心。正是为了弥补这一遗憾,2012年前滩开发之初,能源中心项目便列入规划。最终,上海电力股份有限公司拿下了开发权,并于次年与上海前滩国际商务区投资(集团)有限公司共同出资,成立了上海前滩新能源发展有限公司,王国弟也是在这时被派到了前滩。

 


△上海前滩合能源项目,通过冷热电三联供等方式实现能源梯级利用。

 

       前滩能源中心从外面看起来只是一栋普通的大楼,紧挨着市政主干道,分为地上五层、地下两层,采用了以天然气为基础能源的冷热电联供的分布式能源系统,内燃机、燃气轮机、蓄能水槽、空气源热泵等各司其职,楼里还“藏”着全亚洲最大的蓄冷热水储能罐,足足有三层楼高,最多可以蓄水2.5万立方米,内燃轮机发电产生的余热被收集到这个罐子里。

 

       和传统的电网买电卖电的用能模式相比,综合智慧能源到底能带来什么改变?

 

       天然气发电能源利用率过去在40%左右,而无论是在北科产业园还是前滩能源中心,以天然气为基础实现冷热电联供的分布式利用,综合利用率达到了70%〜80%。对于一个城市区域来讲,前滩的例子足够有说服力——前滩能源中心只占了6146平方米的土地,却为200万平方米的建筑提供着冷热电。王国弟介绍说,前滩能源中心从2017年1月正式运行以来,与传统供能方式比,节能近30%,减排温室气体40%以上。“如果按照传统方式,每个楼的地下要建冷热源系统,屋顶要布置冷却塔,屋外要有烟囱、管井,能源中心集中供能后,用户无需自建,既节约了建设成本,也节省了宝贵的空间和土地资源,而且噪声、废气的污染也被消除了。”

 

 

打破能源边界

 


△“御风”系统所提供的全球风力发电小时数图谱,它将新能源技术和电力气象技术有效结合,通过追踪远处各气象要素变化,提高风电场的运行效率。

 

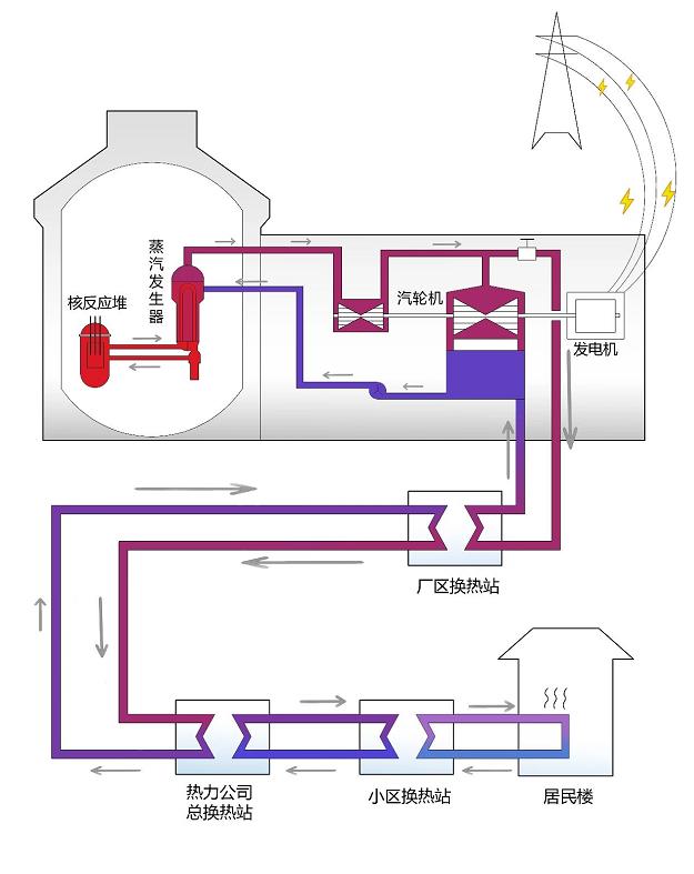
       除了推动新能源融入现有能源体系之外,促进能源消费结构转型,以互联网技术为特征的综合智慧能源也可以给传统能源带来新的利用方式,拓展能源的应用边界。在山东海阳市的沿海新区,今年冬季,远处高高耸立的大烟囱没有像往年那样冒起白烟,路上拉煤车也无影无踪。十几公里外,建在海边的海阳核电厂过去是附近居民眼中神秘而遥远的存在,如今通过一根供暖管道,他们与它产生了直接的联系。

 

       2019年11月,海阳核电厂投运了全国首个核能商业供热项目,一期工程覆盖了核电厂周边70万平方米的居民和商业区。当地丰源热力公司的燃煤锅炉今年正式停用,偌大的厂房内空无一人,工人们都坐进了办公室,在那里有一块巨大的屏幕,上面显示着辖区内所有换热站的实时数据,并且可以远程控制。热源从十几公里外的核电厂内输送过来,经过一级级换热站再送到居民家中。

 

 


△上海核工院孙亦春手绘的核能供热图,热源从十几公里的核电厂内输送过来,经过一级级换热站送到居民家中,只有热交换、没有水接触,安全无虞。

 

       丰源热力公司的负责人向我介绍,往年供暖季,一个燃煤锅炉每天如果开足马力,一天需要4车燃煤,这些燃煤都是用重卡从山西的煤矿运过来的。相形之下,核电厂一年只需要30到50吨燃料,而且已投运的供热抽汽量仅相当于总体蒸汽量的5‰。山东核电有限公司党委书记、董事长吴放介绍,“从数据测算上看,每年可节约2.32万吨标煤,减排222吨烟尘、382吨二氧化硫、362吨氮氧化物以及6万吨二氧化碳,相当于减少约5台10吨的燃煤锅炉”。

 

       对核电厂来说,安全问题永远放在第一位,核能供热项目更是如此。吴放解释说,在核能供热的整个过程中,其实是发生了蒸汽加热水和水加热水两个大步骤,核电站与供热用户之间设置了多道回路进行隔离,每个回路之间只有热量的传递,没有水的交换,没有任何放射性,用户暖气管道中的热水也只在小区内封闭循环,与核电厂层层隔离,十分安全。对核电厂自身而言,“让适合发电的能量用来发电,适合供热的能量用来供热,取得一个更好的平衡,既提高了机组循环热效率,又减少了排到大海和环境的热量,实现了环保和经济效益的双赢”。核能供热作为持续稳定的大体量清洁热源,供热稳定、可靠性强以及零碳排放,也没有二氧化硫、氮氧化物、烟尘这些污染物排放,供热价格上可与燃煤电厂持平,是解决目前北方地区清洁取暖问题比较有效的手段。

 

       吴放希望核能供热最终可以在整个环渤海区域推广。来自国核电力规划设计研究院的项目设计总工程师林令智介绍,根据核能供热覆盖整个胶东半岛来估算,一年可以减少1543万吨标煤消耗,能够大大缓解当地供暖季的空气污染问题。

 

       除了供暖,北方地区面临的另一大问题是水资源紧缺,后者甚至更加棘手——“供热停一年恐怕能撑下去,水停三天整个城市就运转不下去了。”淡水危机也许有一天终将到来。通过海水淡化可以解决人们的用水问题,但是这个过程需要耗费大量能源。换个角度看,如果有足够廉价和清洁的能源,人类的“水危机”是可以轻松化解的,能源可以和水资源打通。

 

       目前,蒸馏法海水淡化已在业界广泛应用。而早在上世纪70年代,将核动力工厂与海水淡化工艺相结合已被证实可行,而且核能大规模用于海水淡化能够大大降低造水成本,对环境影响小。吴放说,核能用于海水淡化的技术路线已趋成熟,包括海阳在内的许多核电厂厂内用水都是海水淡化而来,海水淡化项目已经列入海阳核电厂战略规划。

 

       除了供热和供水,核能综合利用以及多种新能源综合互补的“新概念”的实施,有利于推进网络型基础设施建设,比如重构大型的热力管网、水网,有助于当地城市的环保节能与一体化发展。

 

       除了解决水的问题,能源还能解决吃饭问题。三年前,融和租赁公司从国外引进植物工厂项目,他们选择的主要作物是西红柿,“因为国外西红柿的种植经验、数据采集和分析已经非常成熟,可以直接拿过来用”。该项目的负责人颜文淏介绍说,光照管理是植物工厂高效生产和成本降低的关键因素之一。为了给西红柿的生长提供最好的光照条件,他们在大棚内架设补光灯,在阴雨天气开灯补光,弥补自然光照的不足。“一个补光灯功率通常1000瓦,5〜6平方米配一盏灯。”这样一来,植物生长需要的光照变成了用电量,也意味着电能间接转化为植物能,成为人们餐桌上的营养。

 

       植物工厂打破了传统农业生产的模式,在一定程度上也打破了地理环境的限制。大棚里的作物一年可以拥有近10个月的生长时间,不断播种、不断采摘,节约了土地资源。在甘肃这样的西北干旱地区,也有植物工厂落地,颜文淏告诉我,当地虽然缺水,但光照好,在智慧化管理技术的帮助下可以有效发挥后者的优势,提高水的利用效率。

 

       能源的利用几乎渗透到植物工厂的各个环节——大棚顶上铺的光伏玻璃,光照富余时可以用来发电;附近发电厂在发电过程中产生的余热则可通过地下管道输送到大棚里,以保持棚内温度——光照、湿度、温度等各个参数都通过智能系统实现了高精度调控,使其符合作物生长的最佳环境。颜文淏介绍,植物工厂的生长架垂直高度可达20米,产量也非常惊人,是传统种植的五六倍。

 

 

氢能:能源革命远未停止

 

       从钻木取火,到柴薪时代,再到煤炭、石油为代表的化石能源时代,每一次能源革命都是人类文明的一次飞跃,但随着化石能源的枯竭,一场全球性的能源危机正在到来,加之化石能源消耗导致的气候变化正在反噬人类文明。

 

       过去数十年来,世界各国的科学家都在孜孜以求地寻找一种一劳永逸地解决人类能源问题的方法。比如有人测算过,中国陆地太阳能资源总量相当于目前全国电力总需求量的500倍,而美国则有一份研究表明,现有风能远远超过全世界能源的需求量。

 

       但似乎没有哪种能源是完美无缺的,无论是传统的化石能源,还是水、风、光等新型能源。环境影响、高昂的开发成本、不稳定性⋯⋯都对看似取之不尽、用之不竭的新能源的开发形成了制约。那么,存在更稳定、更可靠的新型能源吗?

 

       氢,在近20年来受到越来越多的关注,它的产生与消耗形成的副产品只有纯水,而水本身又包含氢,可以循环往复,从这个角度来讲,氢能的确前景广阔。

 

       国家电投集团氢能科技公司的首席技术官柴茂荣,是从日本回归的领军人才。在氢能领域,日本处于世界领先位置,化石能源全部依赖进口的日本在上世纪80年代就瞄准了氢能,提出了氢能发展战略,几十年来不断推进。日本的加氢站数量也名列世界首位,2014年丰田公司推出了著名的氢能汽车Mirai,在全世界卖出1万多台,是目前销量最好的氢能汽车之一。

 

       如果说氢能是21世纪的能源解决方案,那氢燃料电池技术可能就是车用能源的最优解。氢燃料电池实际上是一个发电装置,可以直接将氢气和氧气中的化学能转换成电能。氢燃料电池使氢能汽车既克服了纯电动车续航不足、充电时间长的缺点,相比传统燃油车又有节能减排的优点。柴茂荣介绍道,目前国内氢燃料电池的体积和成本是日本的6〜10倍,还有很长的路要走。

 


△国家电投与中国中车联合研发的氢燃料电池城市客车。

 

       在催化剂方面,柴茂荣团队做出的新型催化剂已经追上了日本。2019年7月,他们自主研发的百千瓦级电堆下线,由此实现了催化剂、膜电极、扩散层、双极板、电堆等关键技术的自主化。今年1月2日,首台搭载由国家电投集团自主研发燃料电池电堆的氢能客车在宁波正式下线,车辆由中国中车集团生产,车长12米,续航里程达到了600公里。国家电投集团氢能科技公司董事长李连荣透露,到2022年北京冬奥会,从北京到张家口的班车线上行驶的大巴车将有相当一部分由氢能提供动力。

 

       2015年,美国加州首次提出要在2030年禁止传统燃油车上市销售计划。随后,欧洲国家纷纷宣布在未来限产甚至停止销售燃油汽车的计划,包括沃尔沃、大众、丰田在内的国际汽车巨头也陆续公布了发展新能源汽车的路线图和时间表。早在2017年,我国工信部就释放了“研究制定燃油车退出时间表”的信号。据研究,我国有望在2050年前实现传统燃油车的全面退出。

 

       电动车创业热后,氢能汽车又掀起一波高潮。尽管目前氢的生产和储存成本依然较高,加氢站数量有限也制约着氢能汽车的大规模发展,但在李连荣看来,氢能的方向毋庸置疑。“现有的电和化石能源在终端基本是分开的,搞电的跟搞石油、煤炭、天然气的很少能够合作。但氢出现后,它既可以做终端能源,也可以作为大规模储能的介质,将对化石能源、新能源进行整合,重构整个能源体系。”李连荣说,这将会对整个能源行业产生巨大影响。“能源革命大潮已经来了,能源企业都会走进这场革命,不管你愿意不愿意,剩下的问题是,你是提着刀进去,还是伸着脖子进去。”


       对于普通人来说,“淘宝店”式的分布式能源已并不遥远,也许很快你就会发现:自家光伏卖电不仅能抵上全家电费,还能赚钱。能源革命方兴未艾,它激起的涟漪将无限远且不间断。而一旦未来技术发生重大突破,能源使用方式可能更加高效便捷,突破现有的想象力。

 

       在2019年8月中国企业联合会组织的一次活动上,国家电投集团党组书记、董事长钱智民谈道:“随着氢能和储能技术全面突破,在大规模可再生能源并网、分布式能源储备,以及实现低碳交通甚至零碳交通、低碳工业、低碳建筑方面将发挥重要作用。新能源发展的态势,其势已成,其时已至。”

 

 

来源:国家电力投资集团有限公司

 

 

[←返回]

关于我们   |   关于合作   |   留言板   |   资料下载   |   广告服务  
  版权所有:南京诺溪新能源科技有限公司 苏ICP备14012130号   地址:南京金源路2号绿地之窗南广场D1栋808   
电话:025-52170985 18914486391