返回首页
你现在的位置: > 首页 > 企业动态 > 正文

SMA Sunny Island储能逆变器强势阵容来袭

发布日期:2018/11/15

 

       SMA作为一家有着37年历史的德国光伏逆变器公司,逆变器全球出货量累计已超过70GW。在日驱火爆的储能市场上,SMA迄今也已安装并网了超过1GW的储能逆变器,其旗下最为成熟的并离网储能逆变器Sunny Island系列,自2001年上市以来,更是累计已售出超过10万台,遍布在非洲、南极、西伯利亚、南太平洋、阿尔卑斯山等全球各地。 

 

       SMA储能逆变器系列


       SMA提供单机功率自2.5KW-3MW功率的储能逆变器。针对使用高压储能电池的家庭用户,推荐使用Sunny Boy Storage系列储能逆变器;针对300KW以下的并/离网储能系统,推荐使用Sunny Island系列;针对大型电站级的储能系统,推荐使用Sunny Central Storage系列。

 

 

图1 - SMA储能逆变器系列


       本文重点介绍Sunny Island系列储能逆变器。Sunny Island为交流耦合型储能逆变器,主要应用在各种岛屿、矿山、农场、及偏远地带等电力匮乏区域。交流耦合与直流耦合方式相比,系统可以方便的与各种类型能源相结合且后续扩容也更方便。而直流耦合系统更适合于负载单一且以照明为主的小型应用场景。

 

 

 

图2– 交流耦合系统


 

 

图3– 直流耦合系统


       目前市场上一些厂家也推出了集光伏逆变器与储能逆变器与一体的光储一体机hybrid Inverter,光伏与储能输出共直流母线,其总的交流输出受hybrid Inverter的最大输出功率限制。hybrid Inverter的优点是更为经济,但由于在单机里集成了光伏与储能功能,对其系统可靠性运行是个大的考验,且后续负载增加给系统扩容会带来一些不便。

       Sunny Island作为交流耦合型储能逆变器可以工作在并网/离网状态。其主要特点如下:


       单台SunnyIsland为单相机;如接三相负载,可使用三台Sunny Island进行组合。


       电池侧可接48V的锂电池或者铅酸电池,单台Sunny Isand支持10000Ah容量电池接入。支持所有铅酸电池以及超过20多钟主流锂电池:LG Chem、Sony、BYD、Tesvolt


       可扩展性强,在原有光伏系统增添储能电池及Sunny Island即可。方便后续负载扩容。


       转换率高,最大转换效率可达到95.8%。


       产品可靠性高,标配10年质保。


       人机界面友好,支持RS485和Wifi通讯。


       Sunny Island系列有三个型号,Sunny Island 4.4M/6.0H/8.0H。以Sunny Island 8.0H 为例,其额定功率为6KW, 25℃下可以持续30min输出8KW功率。其主要技术参数如下表:

 

图4- Sunny Island主要技术参数 

 

       下图为典型的家庭单相储能应用场景。白天光照充足时,太阳能通过光伏组件转化为直流电,再通过Sunny Boy单相光伏逆变器转换成交流电供负载使用,多余的能量通过Sunny Island储能逆变器储存到电池里,当电池充满后,多余的能量则馈入电网。白天光照不足或者夜晚,电池储存的能量通过Sunny Island转换供负载使用,电池能量不足时由电网供电供负载使用。当电网发生故障时,Sunny Island可以制造出一个独立的电网,通过光伏组件和电池储能的能量供交流负载使用。

 


图5-Sunny Island单相并网应用场景


       Sunny Island支持WLAN通讯,通过网络上传数据至SMA的监控平台Sunny Portal,方便用户随时随地通过电脑和移动终端进行查看每日发电量以及故障情况等关键数据。


       单相系统中,最多可以支持3台Sunny Island并联接入,额定充放电功率最大可以达到18KW,足以胜任绝大多数单相系统应用。如果负载为三相负载,采用3台Sunny Island可组成三相电网(一台作为主机Master,另两台为从机Slave;最高可使用12组共36台Sunny Island组成三相系统)。下图为典型的三相离网储能系统电气连接图。

 


图6 – 三相离网储能系统电气连接图


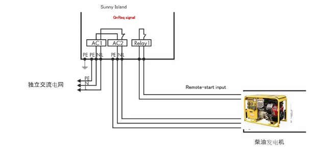
       太阳能、储能电池、柴油发电机组成一个微电网。光伏组件通过三相逆变器或者3台以上单相逆变器发电输出三相交流电供负载使用,当光照充足,光伏组件输出功率大于负载消耗时,多余的能量通过Sunny Island储存到电池中;当光照不足,光伏出力小于负载消耗时,Sunny Island可启动电池输出能量供负载使用,当电池达到低电量(比如SOC=20%,此参数可通过Sunny Island调整)时,Sunny Island可开启柴油发电机,与柴油机产生的交流电网同步并且传输能量供负载消耗。

 

图7– Sunny Island与柴油发电机的电气连接


       Sunny Island的柴油机控制功能避免了当光照不足时电池放电过深而影响电池寿命。当连接柴油机时,柴油机控制此独立电网的电压和频率。当光伏出力大于负载且电池充满时,Sunny Island可断开柴油机,从而避免逆电流输回柴油机并减少油耗。


       Sunny Island还具备调频降载功能,避免电池过充。当日照充足,光伏发电大于负载消耗且电池已充满的情况下,Sunny Island会按照下图曲线调整电网的频率以减少PV光伏逆变器的输出,避免过量充电而损耗电池。

 

 

图8– Sunny Island调频降载功能曲线


       在不具备柴油发电机的离网系统中,Sunny Island可通过负载控制功能来避免当光照不足时电池过度放电而影响电池寿命。Sunny Island具备两个多功能继电器口,搭配一段式减负荷用接触器,在电池SOC过低(比如SOC=30%,可由Sunny Island进行设置)时,启动多功能继电器断开非关键性负载,以防止电池过度放电。

 

图9– Sunny Island负载控制

 

       光储柴离网系统设计案例


       本节以某光伏+储能+柴油发电机的离网系统为案例进行系统设计介绍。当地光照年峰值小时数为1450 h,年平均用电为4500 Kwh,日最大负载为5KW,所有负载均为单相负载。


       1、光伏系统容量设计


       按照光伏系统提供70%的年总用电量,光伏系统的效率取0.8进行计算,则光伏系统的容量至少为  。


       考虑到光伏系统效率的逐年衰减,光伏系统可选用3KW的组件,光伏逆变器选用额定功率为3KW的Sunny boy 3.0。


       2、储能电池容量设计


       储能电池容量方面,按照系统采用储能电池作为唯一供电源可以支撑2天时间来进行考虑。储能电池的放电效率取0.95,储能逆变器的效率取0.94;为了更好的保护电池,锂电池的放电深度DOD取80%,铅蓄电池的放电深度DOD取50%。


       如果系统采用锂电池,则锂电池容量至少为 ,换算为Ah的话,则至少为


       如果系统采用铅蓄电池,则铅蓄电池容量至少为  ,换算为Ah的话,则至少为   。


       3、储能逆变器选型


       储能逆变器选型方面需考虑系统负载日最大功率与储能逆变器30分钟最大输出功率的比值,该系统负载日最大功率为5KW, SunnyIsland 6.0H的30分钟最大输出功率为6KW,额定功率为4.6KW,单台Sunny Island 6.0H在 PV侧可支撑的最大输出功率为9.2KW > 3KW。则采用1台Sunny Island6.0H即可满足需求。


       4、柴油发电机额定功率设计


       柴油发电机的额定功率范围为80% ~ 120% *(系统总的Sunny Island额定功率之和),且不宜超过系统总的Sunny Island额定功率之和的100%,Sunny Island 6.0H的额定功率为4.6KW,则柴油发电机的额定功率可在 0.8 * 4.6KW = 3.68 KW ~ 4.6KW之间进行选择。

 

       总结


       Sunny Island系列作为SMA出产并可靠使用17年的储能逆变器,可以在单相或三相系统中应用,支持并网以及离网场景,可以搭配柴油发电机,匹配所有蓄电池以及超过20多种锂电池。随着储能以及微电网系统的广泛应用,SMA 将坚持高品质,应用更多与Sunny Island一样的优质产品为广大用户提供可靠的能源解决方案!

 

 

来源:SMA艾思玛新能源

[←返回]

关于我们   |   关于合作   |   留言板   |   资料下载   |   广告服务  
  版权所有:南京诺溪新能源科技有限公司 苏ICP备14012130号   地址:南京金源路2号绿地之窗南广场D1栋808   
电话:025-52170985 18914486391